amazon kindle版の本を出版しました。
そちらも見て下さい。
非反転増幅回路の計算
非反転増幅回路も良く出てくる回路です。

(a)電験三種で良く出る回路図

(b)一般的な回路図
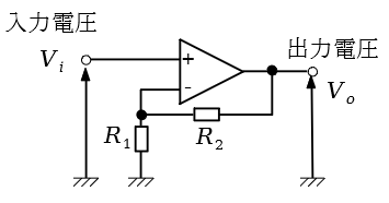
図2.1.1 非反転増幅回路
図2.1.1のように電圧$V_{-},V_{+}$とします。反転増幅器と同様に、仮想短絡よりオペアンプの±の入力電圧$V_{-},V_{+}$は等しくなります。
$V_{-}=V_{+}$ ・・・(2.1)
ここで、電圧$V_{-}$は、次式のように求めることができます。
$V_{-}=\dfrac{R_1}{R_1+R_2} V_o$ ・・・(2.2)
$V_i=V_{-}=V_{+}$より、
$V_i=\dfrac{R_1}{R_1+R_2} V_o$
これを変形して
$V_o=\left( 1+\dfrac{R_2}{R_1} \right) V_i$ ・・・(2.3)

図2.1.2 非反転増幅回路