橋平礼の電験三種合格講座

過去50年分以上の電験三種の問題を解いて分かった、電験三種は今も昔も変わりません。過去問を解きながら合格を目指しましょう。

MENU

平成28年(2016年) 電験三種 機械 問18

amazon kindle版で「電験三種」に関する本を出版しました。

そちらも見て下さい。

 


 


 

次の論理回路について,(a)及び(b)の問に答えよ。

(a)図1に示す論理回路の真理値表として,正しいものを次の(1)~(5)のうちから一つ選べ。

f:id:hashi-rei-channel:20210820155635p:plain

(1)
入力 出力
$A$ $B$ $S_1$ $T_1$
0 0 0 0
0 1 0 0
1 0 0 0
1 1 0 1
(2)
入力 出力
$A$ $B$ $S_1$ $T_1$
0 0 0 1
0 1 0 0
1 0 0 0
1 1 0 1
(3)
入力 出力
$A$ $B$ $S_1$ $T_1$
0 0 0 0
0 1 1 0
1 0 0 0
1 1 0 1
(4)
入力 出力
$A$ $B$ $S_1$ $T_1$
0 0 0 0
0 1 1 0
1 0 1 0
1 1 0 1
(5)
入力 出力
$A$ $B$ $S_1$ $T_1$
0 0 0 1
0 1 1 0
1 0 1 0
1 1 0 1
   

 

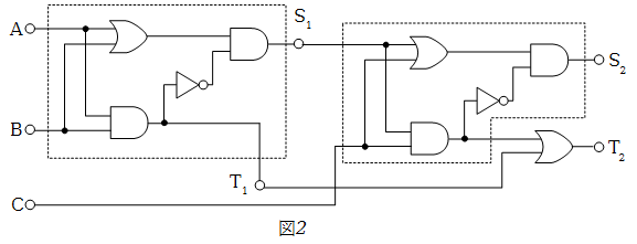
(b)図1に示す論理回路を2組用いて図2に示すように接続して構成したとき,$A$,$B$及び$C$の入力に対する出力$S_2$及び$T_2$の記述として,正しいものを次の(1)~(5)のうちから一つ選べ。

f:id:hashi-rei-channel:20210820155815p:plain

(1) $A=0,B=0,C=0$を入力したときの出力は,$S_2=0,T_2=1$である。
(2) $A=0,B=0,C=1$を入力したときの出力は,$S_2=0,T_2=1$である。
(3) $A=0,B=1,C=0$を入力したときの出力は,$S_2=1,T_2=0$である。
(4) $A=1,B=0,C=1$を入力したときの出力は,$S_2=1,T_2=0$である。
(5) $A=1,B=1,C=0$を入力したときの出力は,$S_2=1,T_2=1$である。



 


解答(a) : (4) ,(b) : (3)  

 

(a)

図のようにX,Yの出力を考えると

f:id:hashi-rei-channel:20210820160002p:plain

入力     出力
$A$ $B$ X Y $S_1$ $T_1$
0 0 0 1 0 0
0 1 1 1 1 0
1 0 1 1 1 0
1 1 1 0 0 1


となります。

 (b)
$S_2$は(a)の表から$C$と$S_1$の関係を見ればよいので表のようになります。
図のようにXをおくと,$C$と$S_1$の関係から表のようになります。

f:id:hashi-rei-channel:20210820160102p:plain

入力         
$A$ $B$ $C$ $S_1$ $T_1$ $S_2$ X $T_2$ 
0 0 0 0 0 0 0 0
0 1 0 1 0 1 0 0
1 0 0 1 0 1 0 0
1 1 0 0 1 0 0 1
0 0 1 0 0 1 0 0
0 1 1 1 0 0 1 1
1 0 1 1 0 0 1 1
1 1 1 0 1 1 0 1

よって,表より
(3)$A=0,B=1,C=0$を入力したときの出力は,$S_2=1,T_2=0$である。