橋平礼の電験三種合格講座

過去50年分以上の電験三種の問題を解いて分かった、電験三種は今も昔も変わりません。過去問を解きながら合格を目指しましょう。

MENU

電験三種 理論 基礎力向上テキスト-51

amazon kindle版の「最新令和2年版 電験三種(理論)基礎力向上テキスト」に関する本を出版しました。

そちらも見て下さい。 

 


テブナンの定理-4

 これまでは、変数で考えていましたが、具体的な数値で解いてみます。

解きやすいように、割ときりのいい数値にしました。

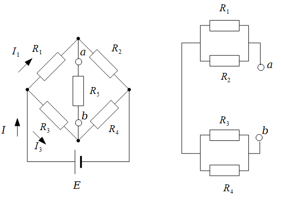
$R_1=5 \Omega, R_2=5 \Omega, R_3=15 \Omega, R_4=3 \Omega, R_5=11 \Omega, E=180 V$とします。次の、回路の$R_5$に流れる電流を求めなさい。

f:id:hashi-rei-channel:20200326111755p:plain

テブナンの定理を使って具体的な数値で解いてみましょう。

f:id:hashi-rei-channel:20200326133706p:plain

端子$ab$から見た抵抗は

f:id:hashi-rei-channel:20200326133739p:plain

抵抗$R_5$を除いて考えた合成抵抗$R$は

f:id:hashi-rei-channel:20200326133808p:plain

全電流$I$は

f:id:hashi-rei-channel:20200326133822p:plain

電流$I_1, I_3$は

f:id:hashi-rei-channel:20200326133839p:plain

f:id:hashi-rei-channel:20200326133851p:plain

 

電圧降下を計算すると

f:id:hashi-rei-channel:20200326133907p:plain

f:id:hashi-rei-channel:20200326133917p:plain

よって、$ab$間の電圧は、

f:id:hashi-rei-channel:20200326133938p:plain

これらから、$R_5$を流れる電流は

 f:id:hashi-rei-channel:20200326133948p:plain

 どちらかというと、この場合、テブナンの定理の方が、キルヒホッフの法則より簡単ですね。