amazon kindle版の「最新令和2年版 電験三種(理論)基礎力向上テキスト」に関する本を出版しました。
そちらも見て下さい。
1. 直流回路
1.8 電力・電力量の計算
直流回路における電力は消費電力や有効電力などと呼ばれ,1秒間に行われる仕事の量[J/s]=[W]となります。

電力は次式で計算できます。
$P=VI=RI^2=\dfrac{V^2}{R} [W]$
電力量は電力×時間で表され,工場や家庭ではキロワット時[kWh]がよく用いられます。電力量は次式で計算でき,単位は[J]または[W・s]です。
$W=Pt $[J]または[W・s]
例題
(令和元年度 第三種電気主任技術者 理論 問6)
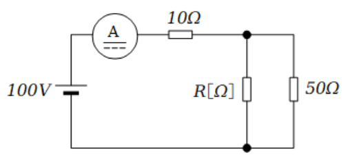
図に示す直流回路は,100Vの直流電圧源に直流電流計を介して10Ωの抵抗が接続され,50Ωの抵抗と抵抗R[Ω]が接続されている。電流計は5Aを示している。抵抗R[Ω]で消費される電力の値[W]として,最も近いものを次の(1)~(5)のうちから一つ選べ。なお,電流計の内部抵抗は無視できるものとする。

(1) 2 (2) 10 (3) 20 (4) 100 (5) 200
解答(5)
電流計の内部抵抗は無視できるので、回路に示されている抵抗だけ考えれば良い。
まず、100Vで5Aの電流が流れているので、全体の合成抵抗$r$は
$r=\dfrac{100}{5}=20[\Omega]$
並列部の抵抗は、$20-10=10[\Omega]$となります。
よって、並列部は次のように計算できます。
$10=\dfrac{50 \times R}{50+R}$
$10(50+R)=50 R$
$500=40 R$
$R=12.5[\Omega]$
・並列部に加わる電圧から電力を求めると、
並列部の抵抗が$10\Omega$より、
ちょうど半分の$50[V]$となります。
よって、消費される電力$P[W]$は
$P=\dfrac{50^2}{12.5}=200[W]$
・または、抵抗$R$を流れる電流から電力を求めると
抵抗$R$を流れる電流$I_R$は抵抗の値から
$I_R=\dfrac{50}{50+12.5} \times 5=4[A]$
よって、消費される電力$P[W]$は
$P=12.5 \times 4^2=200[W]$
この場合は、上の電圧から電力を求める方が容易に求められます。