amazon kindle版の「最新令和2年版 電験三種(理論)基礎力向上テキスト」に関する本を出版しました。
そちらも見て下さい。
1. 直流回路
1.6 電圧・電流の計算
電圧降下の問題を解いてみましょう。
(令和元年度 第三種電気主任技術者 理論 問5)の問題です。
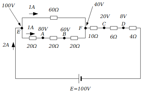
図のように、七つの抵抗及び電圧E=100Vの直流電流からなる回路がある。この回路において,A-D間,B-C間の各電位差を測定した。このときA-D間の各電位差の大きさ[V]及びB-C間の各電位差の大きさ[V]の組合せとして,正しいものを次の(1)~(5)のうちから一つ選べ。 図のように、七つの抵抗及び電圧E=100Vの直流電流からなる回路がある。この回路において,A-D間,B-C間の各電位差を測定した。このときA-D間の各電位差の大きさ[V]及びB-C間の各電位差の大きさ[V]の組合せとして,正しいものを次の(1)~(5)のうちから一つ選べ。

| A-D間の 各電位差の 大きさ |
B-C間の 各電位差の 大きさ |
|
| (1) | 28 | 60 |
| (2) | 40 | 72 |
| (3) | 60 | 28 |
| (4) | 68 | 80 |
| (5) | 72 | 40 |
答え(5)
| A-D間の 各電位差の 大きさ |
B-C間の 各電位差の 大きさ |
|
| (5) | 72 | 40 |
ここでのポイントは、元の回路図に戸惑わないこと
図をこのように、書き直して計算できることです。

合成抵抗を求めます。
合成抵抗は
$R=\dfrac{1}{\dfrac{1}{60}+\dfrac{1}{20+20+20}}+10+6+4=50\Omega$
よって、全体を流れる電流は
$I=\dfrac{100}{50}=2[A]$
E:並列部入り口の電圧は$100[V]$
並列部の電流は、上側、下側ともに$60\Omega$より、同じ$1[A]$となる。
並列部下側の電圧降下は
A:$100-1 \times 20=80[V]$
B:$80-1 \times 20=60[V]$
F:並列部出口の電圧は
下側の電圧降下は
F:$60-1 \times 20=40[V]$
上からの電圧降下を見ると
F:$100-1 \times 60=40[V]$
同じになります。
次に、Cでの電圧降下は$2[A]$流れるので
C:$40-2 \times 10=20[V]$
次に、Dでの電圧降下も同様に$2[A]$流れるので
D:$20-2 \times 6=8[V]$
となり、
A-D間の各電位差の大きさは
$80-8=72[V]$
B-C間の各電位差の大きさ
$60-20=40[V]$
となります。