amazon kindle版の「電験三種」に関する本を出版しました。
そちらも見て下さい。
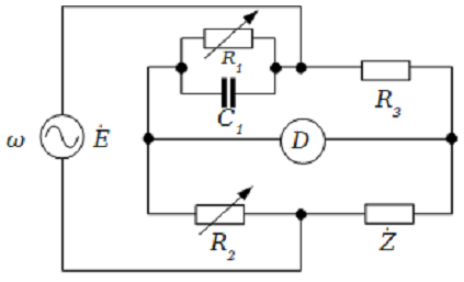
問15
図は未知のインピーダンス$\dot{Z}[\Omega]$を測定するための交流ブリッジである。電源の電圧を$\dot{E}[V]$,角周波数を$\omega [rad/s]$とする。ただし$\omega$,静電容量$C_1[F]$,抵抗$R_1[\Omega], R_2[\Omega],R_3[\Omega]$は零でないとする。次の(a)及び(b)の問に答えよ。

(a)交流検出器$D$による検出電圧が零となる平衡条件を$\dot{Z},R_1,R_2,R_3,\omega$及び$C_1$を用いて表すと,
$\dot{Z}=R_2 R_3$
となる。
上式の空白に入る式として適切なものを次の(1)~(5)のうちから一つ選べ。
(1)$R_1+\dfrac{1}{j \omega C_1}$
(2)$R_1-\dfrac{1}{j \omega C_1}$
(3)$\dfrac{R_1}{1+j \omega C_1 R_1}$
(4)$\dfrac{R_1}{1-j \omega C_1 R_1}$
(5)$\sqrt{\dfrac{R_1}{j \omega C_1}}$
(b)$\dot{Z}=R+jX$としたとき,この交流ブリッジで測定できる$R[\Omega]$と$X[\Omega]$の満たす条件として,正しいものを次の(1)~(5)のうちから一つ選べ。
(1)$R \geqq 0, X \leqq 0$
(2)$R \gt 0, X \lt 0$
(3)$R = 0, X \gt 0$
(4)$R \gt 0, X \gt 0$
(5)$R = 0, X \geqq 0$
答え (a):(3) ,(b):(4)
(a)交流回路の平衡条件は
$\left( \dfrac{1}{\dfrac{1}{R_1}+j \omega C_1} \right) \dot{Z}=R_2 R_3$
よって括弧内を整理すると
$\dfrac{1}{\dfrac{1}{R_1}+j \omega C_1}=\dfrac{R_1}{1+j \omega C_1 R_1}$
(b)
$\dot{Z}=R+jX$より
$\dfrac{R_1}{1+j \omega C_1 R_1}(R+jX)=R_2 R_3$
左辺を整理すると
$\dfrac{R_1(1-j \omega C_1 R_1)}{1+( \omega C_1 R_1)^2}(R+jX)$
$\dfrac{R_1}{1+( \omega C_1 R_1)^2}(1-j \omega C_1 R_1)(R+jX)$
$\dfrac{R_1}{1+( \omega C_1 R_1)^2}\{R+ \omega C_1 R_1 X-j (X- \omega C_1 R_1 R) \}$
となるので,
$\dfrac{R_1}{1+( \omega C_1 R_1)^2}(R+ \omega C_1 R_1 X)=R_2 R_3$
$\dfrac{R_1}{1+( \omega C_1 R_1)^2}\{-j (X-\omega C_1 R_1 R) \}=0$
となればよい。
$X=\omega C_1 R_1 R$
(3)$R = 0, X \gt 0$と(5)$R = 0, X \geqq 0$は
$R=0$のとき$X=0$とならなければ条件を満たさない。
$R$と$X$は同符号でなければならないので,
(1)$R \geqq 0, X \leqq 0$と(2)$R \gt 0, X \lt 0$は条件を満たさない。
よって,
(4)$R \gt 0, X \gt 0$が条件を満たしている。