問14は論理回路に関する問題です。
amazon Kindle版の書籍も出版しています。
ビデオや書籍でも学習しましょう。
問14
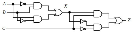
図のように,入力信号A,B及びC,出力信号Zの論理回路がある。この論理回路には排他的論理和(EX-OR)を構成する部分と排他的否定論理和(EX-NOR)を構成する部分が含まれている。
この論理回路の真理値表として,正しいものを次の(1)~(5)のうちから一つ選べ。

(1)
|
(2)
|
||||||||||||||||||||||||||||||||||||||||||||||||||||||||||||||||||||||||||||||||
(3)
|
(4)
|
||||||||||||||||||||||||||||||||||||||||||||||||||||||||||||||||||||||||||||||||
(5)
|
|||||||||||||||||||||||||||||||||||||||||||||||||||||||||||||||||||||||||||||||||
答え (1)
全部解くと時間が無くなるので、特徴的なところだけ解きます。
・ABCが全部0のときは、Zは1となります。
これで、(1),(4),(5)に絞られました。
次に
・ABCが全部1のときは、Zは0となります。
これで、(1)に決定です。
| A | B | C | Z |
| 0 | 0 | 0 | 1 |
| 1 | 1 | 1 | 0 |

図のようにXを考えます。
排他的論理和(EX-OR)は入力が違うとき、出力が1になります。よってXは、次のようになります
| 入力信号 | 出力信号 | |||
| A | B | X | C | Z |
| 0 | 0 | 0 | 0 | 1 |
| 0 | 0 | 0 | 1 | 0 |
| 0 | 1 | 1 | 0 | 0 |
| 0 | 1 | 1 | 1 | 1 |
| 1 | 0 | 1 | 0 | 0 |
| 1 | 0 | 1 | 1 | 1 |
| 1 | 1 | 0 | 0 | 1 |
| 1 | 1 | 0 | 1 | 0 |
排他的否定論理和(EX-NOR)は、入力が同じとき、出力が1になります。
よってZは、(1)のようになります。