橋平礼の電験三種合格講座

過去50年分以上の電験三種の問題を解いて分かった、電験三種は今も昔も変わりません。過去問を解きながら合格を目指しましょう。

MENU

重ね合わせの理

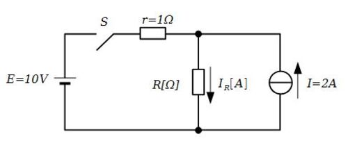
平成30年(2018年) 電験三種 理論 問7

問7は電流源と電圧源の回路を重ねの理で解く問題です。 電流源は内部インピーダンスが無限大、 電圧源の内部インピーダンスは0ですね。 この問題も確実に押さえておきたい問題です。 amazon Kindle版の書籍も出版しています。 ビデオや書籍でも学習しましょ…